본문
상세설명

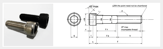
| Nom Size d |
Pitch P |
Thread Length b |
ds | dk | k | S | t | r | da | v | |||||||||||||||||
| 최대 | 최소 | 최대 | 최소 | 최대 | 최소 | 최대 | 최소 | 최소 | 최소 | 최대 | 최대 | ||||||||||||||||
| M1.6 2 2.5 |
|
15 16 17 |
|
|
|
|
|
|
|
|
|
|
|
| |||||||||||||
| (2.6) 3 4 |
|
- 18 20 |
|
|
|
|
|
|
|
|
|
|
|
| |||||||||||||
| 5 6 8 |
|
22 24 28 |
|
|
|
|
|
|
|
|
|
|
|
| |||||||||||||
| 10 12 (14) |
|
32 36 40 |
|
|
|
|
|
|
|
|
|
|
|
| |||||||||||||
| 16 (18) 20 |
|
44 48 52 |
|
|
|
|
|
|
|
|
|
|
|
| |||||||||||||
| (22) 24 (27) |
|
56 60 66 |
|
|
|
|
|
|
|
|
|
|
|
| |||||||||||||
| 30 (33) 36 |
|
72 78 84 |
|
|
|
|
|
|
|
|
|
|
|
| |||||||||||||
| (39) 42 (45) |
|
90 96 102 |
|
|
|
|
|
|
|
|
|
|
|
| |||||||||||||
| 48 (52) |
|
108 116 |
|
|
|
|
|
|
|
|
|
|
|
| |||||||||||||
댓글목록
등록된 댓글이 없습니다.

